En ARRANKE suministramos reductores industriales en Chile, con respaldo técnico y representación de MM Reductores.
Contamos con centro de servicio en Talagante para diagnóstico y reparación en taller, y apoyo en selección/equivalencias para cotización.
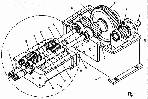
Reductores estándar y por requerimiento.
Centro de servicio (diagnóstico y reparación en taller)
Fabricaciones especiales para compatibilización de montaje.
Explora estándar, soluciones a medida y repuestos. Desde aquí puedes ir al catálogo completo.
Soluciones estándar para aplicaciones industriales. Revisa tipos, configuraciones y recomendaciones de selección.
Desarrollo y adaptación según montaje, ejes, bridas, relación de reducción y condiciones de operación.
Repuestos críticos para continuidad operacional y componentes asociados.






Mantención en taller, apoyo en selección y fabricaciones especiales para compatibilización.
Diagnóstico, mantención y reparación en nuestro centro de servicio
Te ayudamos a definir el reductor correcto y a reemplazar equipos existentes con una alternativa equivalente (relación, torque, montaje, eje/brida).
Acoples, bases y adaptaciones para compatibilizar equipos y resolver interferencias, según requerimiento.
Contenido práctico para selección, mantención y repuestos de reductores.
Un listado simple y aplicable de tareas críticas para mantener reductores industriales en óptimas condiciones. Inspección, lubricación y control de componentes que ayudan a evitar fallas costosas y asegurar continuidad operativa.
Aprende los criterios clave para elegir el reductor adecuado según carga, relación y aplicación. Una guía clara y práctica para ingenieros y responsables de planta que buscan decisiones técnicas seguras y confiables.
Descubre las diferencias entre reductores helicoidales y planetarios: ventajas, aplicaciones y limitaciones de cada tecnología. Una comparativa técnica para seleccionar la solución más eficiente en entornos industriales exigentes.
¿Necesitas cotizar o reemplazar un reductor?
Somos representantes en Chile de MM Reductores y contamos con centro de servicio para diagnóstico y reparación en taller.